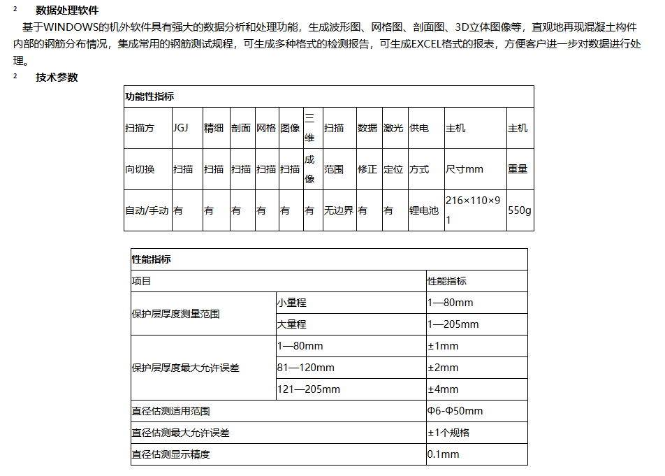
钢筋保护层
中科仪器汇,专注于环保与实验室领域,汇聚国内外优质仪器品牌,为客户提供专业的一站式采购服务,正品保证,全网底价。一个需求,多套解决方案可选,效率更高,价格更省、服务更便捷。
所属栏目:
钢筋保护层
手机:
正品行货
品类齐全
一站式服务
一对一客服
服务说明
1、由聚仪惠发货,并提供售后服务
2、因库存实时变化,具体发货时间以实际发货为准
产品详情



上一篇: 没有了
下一篇: 没有了
在线咨询
注意:请留下您的电子邮件地址,我们的专业人员会尽快与您联系!